At the 2018 New England Antique Radio Club Radio and Vintage Electronics Show, I had the good fortune of winning not one, but two door prizes!
The first was a circa 1955 RCA Model 6-XD-5A “The Glendon” AM broadcast receiver. The radio was promised to be ‘operational’ but ‘not restored.’ The second prize was a coupon to WJOE Radio, a favorite local vendor for radio restoration parts who also attends the NEARC Show each winter. I used the coupon to stock up on a couple of capacitor assortment boxes realizing I could use the capacitors to recap the Glendon at some point.
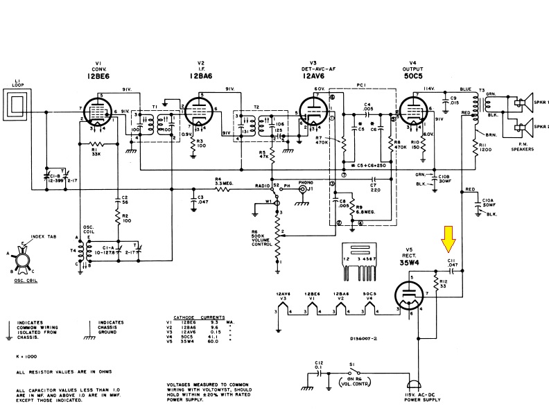
That “some point” came just two months later in April when after listening to the radio for just about an hour and a half I heard a loud sizzling sound, followed by a loud “pop!” and then loud buzzing from the speakers.
Sure enough, upon opening the set up I discovered that one of the wax capacitors, No. C11, on the power line had exploded.

A lot of folks are under the misimpression that when restoring old radios, the number one problem is that the old tubes have gone bad and that finding replacements is hard and expensive. The truth of the matter is the absolute number one affliction that antique radios suffer is failing capacitors. Replacement caps are plentiful, and inexpensive and many radios can be brought back to useable life by just recapping the set.
Over time wax and paper capacitors fail and the dielectric in large filter caps either dries up has leaked out. A capacitor that fails appears in circuit as a resistor and will not block DC while allowing AC signals to pass as they should. A sure sign that caps have failed in vintage radios is the presence of a predominant loud hum on the audio output.
Replacing capacitors is generally straight forward and easy. It’s simply a matter of removing the old capacitors and replacing them with modern day equivalents. Many times, you can easily read the values off the old capacitor once it is removed, but it’s also always a good idea to download a copy of the schematic and work from that.


There are two values you need to be concerned with when replacing capacitors – the capacitance value and the voltage rating.
Capacitance is measured in farads – typically microfarads (MFD) or in picofarads (pF). 1 farad is equal to 1,000,000 microfarad, or 1,000,000,000,000 picofarad.

When replacing capacitors, an exact match for the capacitance value is seldom critical, especially when working with consumer grade AM radio circuits. If you are unable to find a replacement cap with the same value, it is generally o.k. to use a close or higher value capacitor in the circuit.
You can also combine capacitors together to create a capacitor with the proper value. The math is simple – if you connect capacitors in parallel, their value equals the sum of the individual capacitors.

The second value you need to be concerned with when replacing capacitors is the voltage rating which is often abbreviated WVDC (working voltage, direct current) on the capacitor and on the schematic. Always be sure to replace capacitors with new units that are rated at the same working voltage or higher.
So, returning to The Glendon, I replaced C11 and all the other wax capacitors. I noticed that the previous owner had replaced the electrolytic filter caps already. The schematic called for a 30 MFD and a 50 MFD filter cap. The previous owner installed a pair of 450 volt 47 MFD caps so I left well enough alone.

Sure enough, my recap job brought this fine old radio back to life and it spent last summer as my chair-side radio on the front porch for Red Sox games. And what a year it was for listening to Boston baseball on the radio!

RCA VICTOR CO., INC. MODELN 6-XD-5C “THE GLENDON” SPECS:
Year: 1954/1955
Tubes: 12BE6 12BA6 12AV6 50C5 35W4
Circuit type: Super-Heterodyne IF 455 kHz; 2 AF stage(s)
Tuned circuits:6 AM circuit(s)
Bands: AM BCB only, 540 – 1600 kHz
Loudspeaker: 2 Loudspeakers / Ø 4 inch = 10.2 cm (not stereo)
Power out:1 W (1.5 W max.)
Material: Plastic
Dimensions (WHD): 12.5 x 7.5 x 6.375 inch
Antenna: Build in loop antenna
Power consumption: 35 watts.
Other: has audio input jack to connect Victrola record player.
©2019 JMSurprenant

I enjoyed reading this. It was clear and understandable. The focus on the capacitor was helpful as I am studying electronic components.
LikeLike
Thanks for the feedback Brenda – good luck with your studying – keep me posted on what you are working on too!
73 de AB1DQ/James
LikeLike
Great post! Very easy, detailed and clear. Thank you.
Where did you get your new caps? I see a set on Amazon. More than I need but wondering if they would do the job.
I bought a Glendon for my older brother who remembers my Mom listening to the news every morning especially school closings on WBZ.
LikeLike